

gaoshengkeji@163.com

我們經常會碰到很多測試大綱中要求“該產品的振動試驗需要符合GJB150.16A-2009標準并出具第三方檢測報告”。GJB150.16A-2009標準中的振動試驗類別是有很多的,模擬不同的振動環境,振動試驗的測試條件是不相同的。很多廠家就有困惑,不知道需要按照哪個測試類別進行測試,主要的原因呢,就是咱們廠家對檢測標準的不熟悉,造成信息的不通暢,不知道如何下手。
一、GJB150.16A-2009振動試驗主要包含的試驗程序
1、程序1:一般振動
目的:評估裝備在寬頻帶隨機振動環境下的性能,模擬裝備在運輸、操作或作戰時可能遇到的廣泛振動情況。
特點:通常采用隨機振動,振動譜根據裝備的使用環境定制,覆蓋較寬的頻率范圍。
2、程序2:模擬散裝貨物運輸振動
目的:專門針對裝備作為散裝貨物運輸時可能遇到的振動條件,如鐵路、公路、海上或空中運輸。
特點:可能包括正弦掃頻振動和隨機振動,模擬運輸過程中的特定振動譜,重點關注運輸過程中的長期振動疲勞效應。
3、程序3:模擬大型組件運輸振動
目的:適用于大型軍事裝備組件在特殊運輸條件下的振動評估,考慮到了大型結構件在運輸過程中的獨特振動響應。
特點:可能包括特定的正弦振動或隨機振動模式,模擬大型組件在運輸過程中的振動特性,可能更注重低頻振動的影響。
4、程序4:組合式飛機外掛的掛飛和自由飛
目的:專門用于評估飛機外掛武器系統、吊艙或傳感器等在掛飛狀態或投放(自由飛)過程中的振動耐受性。
特點:包含飛行過程中可能遇到的復雜振動環境,如啟動、飛行中的氣動振動、著陸沖擊等,既包括隨機振動也可能包含特定的沖擊試驗。
二、各試驗程序的區別
1、應用場景
各程序分別針對裝備的不同使用或運輸場景,從通用振動環境到特定的運輸方式,再到空中掛載與投放,覆蓋了裝備可能遇到的多種振動條件。
2、振動類型
雖然都屬于振動試驗,但具體的振動類型(如正弦、隨機)和譜形有所不同,以更好地模擬實際環境(114檢測網)。
3、頻率范圍與振幅
根據不同的試驗程序,頻率范圍和振幅要求會有所調整,以反映具體場景下的振動特征。
4、試驗目的
每個程序都服務于特定的目的,如評估長期疲勞、運輸安全性、外掛穩定性等,因此試驗條件和評估重點也有所差異(114檢測網)。
三、GJB150.16A-2009標準中振動試驗類型
1、圖C.1:高速公路卡車振動環境;
2、圖C.2:組合式雙輪拖車振動環境;
3、圖C.3:組合輪式車輛振動環境;
4、圖C.4:履帶車典型譜型;
5、圖 C.5:散貨件貨物試驗裝置;
6、圖C.6:噴氣式飛機貨物振動環境:
7、圖C.7:鐵路貨物振動環境;
8、圖C.8:噴氣式飛機振動環境:
9、圖C.9:螺旋槳飛機振動環境:
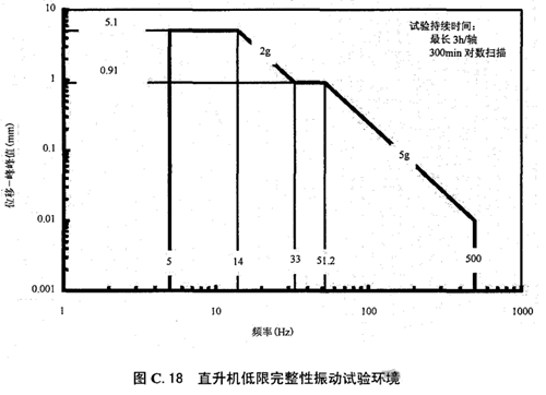
10、圖C.10:直升機振動環境;
11、圖C.11:直升機振動分區;
12、圖C.12:噴氣式飛機外掛振動響應;
13、圖C.13:噴氣式飛機外掛抖振響應:
14、圖C.14:噴氣式飛機外掛設備振動環境:
15、圖 C.15:艦船隨機振動環境;
16、圖 C.16:渦輪發動機振動環境;
17、圖C.17:通用低限完整性振動試驗環境:
18、圖C.18:直升機低限完整性振動試驗環境。
四、振動試驗類型圖譜



















GJB150.16A-2009標準中給出了18大類的振動模擬環境類別,廠家可根據自身產品的實際使用環境進行相應類別的振動試驗,振動試驗之前,確定好測試的條件和測試的時間,同第三方檢測機構進行有效的溝通,是否需要進行振動試驗夾具的設計,振動設備是否可以滿足振動試驗要求,是否具備出具國家認可的CNAS檢測報告的資質等信息。