

gaoshengkeji@163.com

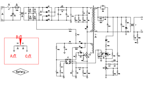
某適配器電源板中,有兩個Y2電容串聯跨接初級的地與次級的地,如圖1、圖2和圖3所示。圖中A點銅箔為初級電路地,C點為人手可以接觸到次級電路地,B點為兩個Y電容串聯連接點,AC之間電壓實測110V~,AB之間實測55V~,BC之間實測55V~。

圖1 開關電源帶2個Y電容跨接初次級
(圖片來源于實拍)

圖2 PCB焊點面
(圖片來源于網絡)

圖3 電路圖
(圖片來源于網絡)
關于A、B、C三點之間PCB線路板絕緣爬電距離的要求有以下不同的觀點:
觀點1:B點是危險帶電部件,AB之間按55V功能絕緣,BC之間按110V加強絕緣要求。
觀點2:B點不是危險的導電部件可以觸摸,AB之間按110V加強絕緣要求,BC之間不要求絕緣。
觀點3:B是中間未接地金屬,AB之間按220V基本絕緣,BC之間按220V附加絕緣,AC之間按220V雙重絕緣要求。
觀點4:B點既不是中間金屬也不是帶電部件,而是連接保護阻抗中間金屬,AB之間、BC之間均以220V加強絕緣距離的“一半”要求,AC之間按220V加強絕緣要求。
哪一種觀點更合理?
案例分析
筆者認為案例問題中B點的“定性”是關鍵,根據GB?4706.1-2005《家用和類似用途電器的安全 第1部分:通用要求》標準保護阻抗的定義,B點為2個Y2電容串聯中間點,任一個Y2電容短路,人手直接觸摸B點流過人體的電流仍應不超過限值(見22.42條款),所以B點不是“危險的帶電部件”。
在一般的雙重絕緣系統中,帶電部件-中間金屬按基本絕緣考慮,“工作電壓”要考慮附加絕緣失效時整個絕緣系統的額定電壓220V;而中間金屬-易觸及部件之間附加絕緣亦然。而案例問題中B點不具備雙重絕緣系統的“中間金屬”的特征,它是連接在保護阻抗兩個元件中間點,正常情況跨接電壓110V被平均分配,即UAB = UBC = UAC ÷2 = 55V,其中一個Y2電容短路異常情況下UAB =0, UBC=110V。
值得指出,按GB 4706.1-2005標準表17注3,AC、AB、BC之間“工作電壓”是電源額定電壓220V,而不是實測值110V。
因為AC之間按GB 4706.1-2005標準22.26條款要符合加強絕緣的要求,由此推論AB之間、BC之間應符合“加強絕緣的一半”的要求。換句話說,這種特殊的情況,AB、BC“平均分配承擔”地承擔加強絕緣,并且不考慮保護阻抗兩個元件之一失效異常狀態AB、BC銅箔之間要求的變化。
綜上所述觀點1、觀點2、觀點3均有待進一步商榷,觀點4比較合理,具體要求限值見表1。
表1 爬電距離限值要求
污染等級 | 材料組別 | AC爬電距離 /mm | AB爬電距離 /mm | BC爬電距離 /mm |
1 | -- | 0.6×2=1.2 | 0.6 | 0.6 |
2 | Ⅲa/Ⅲb | 2.5×2=5.0 | 2.5 | 2.5 |
3 | Ⅲa/Ⅲb | 4.0×2=8.0 | 4.0 | 4.0 |
注:AC、AB、BC工作電壓:220V
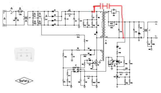
實際操作時,要注意安全特低電壓Ⅲ類結構與帶電部件之間AC并不是最短的路徑,U2光耦合器之間才是最嚴酷的情況,如圖4所示。

圖4 U2光耦合器之間爬電路徑更短
值得指出,少數開關電源2個Y2電容跨接在一次電路+310Vd.c.與二次電路地之間,如圖5所示。此時工作電壓為(310+12)=322Vd.c.

圖5 2個Y2電容跨接在一次電路+310V與二次電路地之間
這種情況,爬電距離具體要求限值見表2。
表2 爬電距離限值要求
污染等級 | 材料組別 | AC爬電距離 /mm | AB爬電距離 /mm | BC爬電距離 /mm |
1 | -- | 1.0×2=2.0 | 1.0 | 1.0 |
2 | Ⅲa/Ⅲb | 4.0×2=8.0 | 4.0 | 4.0 |
3 | Ⅲa/Ⅲb | 6.3×2=12.6 | 6.3 | 6.3 |
注:AC、AB、BC工作電壓:322Vd.c.
關于每一個Y2電容額定電壓的要求,原則是:其中一個Y2電容短路時,全部的跨接電壓將施加在另一個Y2電容上要求仍能正常工作。所以第一種跨接110V情況,Y2電容額定電壓應為250V或以上,第二種跨接322Vd.c.情況,Y2電容額定電壓應為400V或以上。
標準條款
GB?4706.1-2005《家用和類似用途電器的安全 第1部分:通用要求》標準
3.3.6保護阻抗 protective impedance
連接在帶電部件和II類結構的易觸及導電部件之間的阻抗,在正常使用中及器具出現可能的故障狀態時,它將電流限制在一個安全值。
8.1.4如果易觸及部件為下述情況,則不認為其是帶電的:
——該部件通過保護阻抗與帶電部件隔開。
在有保護阻抗的情況下,該部件與電源之間的電流;對直流應不超過2mA;對交流其峰值應不超過0.7mA,而且:
……
19.11任何流過保護阻抗的電流,都不應超過8.1.4中規定的限值。
22.26 帶有III類結構的器具,其結構應使在安全特低電壓下工作的部件與其他帶電部件之間的絕緣符合雙重絕緣或加強絕緣的要求。
22.27應采用雙重絕緣或加強絕緣將由保護阻抗連接的各個部件隔開。
22.42保護阻抗應至少由兩個單獨的元件構成。如果這些元件中的任何一個出現短路或開路,則8.1.4中規定的值不應被超過。
29 電氣間隙、爬電距離和固體絕緣
(略)