設備主要參數:
1、控制及操作方式:PLC智能程序+TFT液晶觸摸屏;
2、驅動方式:采用日本松下伺服電機驅動滾軸旋轉;
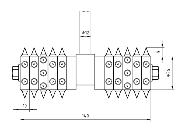
3、鞋釘尖峰裝置:由水平軸和10個輪子組成,其厚度為(10±1)mm,直徑為¢(36±1)mm。10個輪子分別裝有2個模擬鞋釘,共20顆,材質為橡膠;模擬鞋釘的長度為(9±1)mm,直徑為(5±1)mm。10個輪子中的每一個都可以獨立自由旋轉,滾子集中安裝在尖峰(耐踐踏)裝置的豎直軸上,使其與軸一起轉動,但能夠在垂直方向自由移動。滾筒的總質量應調整為(10±0,1)kg;
4、試驗轉速:(20±2)轉/分鐘;
5、試驗次數:1~999999次可預設;
6、電源:AC220V 50/60Hz,0.65KW。

試驗步驟:
1) 將電機轉速調整為(20±2)轉/min。將秒針固定在秒針裝置平臺上的保持架上。打開電機,讓它運行(1±20)Rev。
2) 對塑膠樣塊進行至少1200轉的處理,從平臺上取出測試樣品。在第三個測試樣本上重復這個過程。
3) 根據EN12230對五個拉伸試件進行拉伸試驗,從受鞋釘踐踏處理后的第二和第三個試樣的直徑(140±10)mm的區域中進行拉伸試驗。
4) 采用目視方式檢查踐踏磨損處理后的第三個標本。在直徑為¢(70±5)mm的芯軸上對第三個試樣進行彎曲試驗,觀察磨損后的試樣表面是否有諸如裂紋、損壞、變形等明顯外觀變化。
滿足標準:
田徑場地面層材料耐鞋釘踐踏試驗裝置完全滿足EN 14810-2006 (運動場地面.長釘阻力測定)試驗方法以及GB/T 22517.6-**** 體育場地使用要求及檢驗方法 第6部分:田徑場地(征求意見稿)圖4“耐踐踏設備”規格要求設計制造。